Capacity

Awesome Image

Underhung Crane Specifications 2 Ton, 3 Ton, 5 Ton 10 Ton

Underhung crane & underslung crane, a ceiling mounted overhead crane, light duty crane with capacity of 500kg, 1 ton, 2 ton, 3 ton, 5 ton up to 10 ton.

Crane type Underhung crane, ceiling mounted single girder under running overhead crane
Crane capacity 0.25 ton -10 ton, customized up to 16 ton, single girder hoist
Lifting Height Customized as your request
Working Class A3/A5

Category: Hoist and Crane Specifications

Your Trusted Overhead Travelling Crane Manufacturer & Supplier

Underhung Crane Specifications 2 Ton, 3 Ton, 5 Ton 10 Ton
Underhung Crane & Underslung Crane, a Ceiling Mounted Overhead Crane

Underhung cranes, also known as underrunning overhead cranes or underslung cranes, are an excellent choice for factories looking to free up floor space because they can be supported by the existing building structure without the need for support columns. The light overhead crane is designed for light service or small-capacity applications and is typically lighter than the top running crane system. Our company primarily manufactures under running suspension cranes with lifting capacities ranging from 0.5t to 10 ton, spans ranging from 3m to 25.5m, and lifting heights ranging from 1m to 30m. We can also design and manufacture to the underhung overhead crane with particualr specifications.to need customer's unique needs.

Features of Unders hung Crane

  • Steel structure: The steel structure of the underhung crane is stronger made of Q235B/Q355B carbon structural steel, processed by seamless once forming technology, which make the overhead crane suitable for various operating temperatures;
  • Lifting mechanism: The lifting mechanism of the under running overhead crane is consistented of reducer, drum, motor protection class IP54/44, top quality motor brands from China or around the world, such as Jiamusi, Nanjing motor, ABM, and so on;
  • Hook: Underhung crane hook is made of high-quality steel-forged hook with a long service life.
  • Wheels: Long service life crane wheel is equipped on the suspension crane, which is made of 42 CrMo material, with the features of compact structure, easy maintenance, and high transmission efficiency.
  • Travel mechanism: With Chinese or international crane motor and reducer suppliers such as Nanjing motor, SEW, and others.
  • Electrics: Chint, Schneider, Siemens, and so on.

Crane Specifications of Overhead Underhung Crane

Crane Specifications of Overhead Underhung Crane

LX type single girder under hung overhead crane, is a light duty overhead traveling crane , usually adopts the cd/md type electric wire rope hoists as the hoisting system. They are widely used for material handling at various applications such as, assembly sites, and warehouses. This electric overhead crane uses ground control and operates at temperatures ranging from -20 to 40°C. It is forbidden to use the equipment in a flammable, explosive, or corrosive environment. The main specifications of the overhead suspension cranes are presented for your reference.

Technical Parameter of LX Single Girder Under Running Overhead Crane 0.5 Ton - 10 Ton

Technical Parameter of LX Single Girder Under Running Overhead Crane 0.5 Ton - 10 Ton

Item

Capacity

0.5 ton

1 ton

2 ton

3 ton

5 ton

10 ton

Span

S(m)

3~22.5

3~22.5

3~22.5

3~22.5

3~22.5

3~22.5

Lifting height

m

6~30

6~30

6~30

6~30

6~30

9~30

Lifting speed

m/min

8(0.8/8)

8(0.8/8)

8(0.8/8)

8(0.8/8)

8(0.8/8)

7(0.7/7)

Trolley speed

m/min

20(30)

20(30)

20(30)

20(30)

20(30)

20(30)

Crane speed

m/min

20(30)

20(30)

20(30)

20(30)

20(30)

20(30)

Work duty

A3~A4

A3~A4

A3~A4

A3~A4

A3~A4

A3~A4

Single Girder Underhung Overhead Crane  Specifications 0.5 Ton

Single Girder Underhung Overhead Crane  Specifications 0.5 Ton

CapacityT0.5 Ton
Spanm3.58.512.516.52022.5
Lifting heightm6/9/12/18/24/30
Lifting speedm/min8or (8/0.8)
Trolley travelling speedm/min20
Crane travelling speedm/min20
Total weightkg106015401876196027452976
Max. Wheel loadKN6.287.197.979.8710.0910.66
Rail recommendedModel120a~145c
Total motor powerkw1.8kw
Main dimension (mm)Span(m)3.58.512.516.52022.5
Rail top to hook centerH4830
Crane base distanceW10001500200025003000
Crane widthB15002000250030003500
Hook left limitationS1370
Hook right limitationS2223

Single Girder Underhung Overhead Crane  Specifications 1 Ton

Single Girder Underhung Overhead Crane  Specifications1 Ton

CapacityT1 Ton
Spanm3.58.512.516.52022.5
Lifting heightm6/9/12/18/24/30
Lifting speedm/min8or (8/0.8)
Trolley travelling speedm/min20
Crane travelling speedm/min20
Total weightkg107515551891230931113383
Max. Wheel loadKN9.5210.1910.9111.9113.8714.53
Rail recommendedModel120a~145c
Total motor powerkw2.5kw
Main dimension (mm)Span(m)3.58.512.516.52022.5
Rail top to hook centerH4847
Crane base distanceW10001500200025003000
Crane widthB15002000250030003500
Hook left limitationS1310
Hook right limitationS2130

Single Girder Underhung Overhead Crane  Specifications 2 Ton

Single Girder Underhung Overhead Crane  Specifications 2 Ton

CapacityT2 Ton
Spanm3.58.512.516.52022.5
Lifting heightm6/9/12/18/24/30
Lifting speedm/min8or (8/0.8)
Trolley travelling speedm/min20
Crane travelling speedm/min20
Total weightkg116215412184278335853903
Max. Wheel loadKN16.3516.3217.6519.0320.9721.73
Rail recommendedModel120a~145c
Total motor powerkw4.2kw
Main dimension (mm)Span(m)3.58.512.516.52022.5
Rail top to hook centerH41020
Crane base distanceW10001500200025003000
Crane widthB15002000250030003500
Hook left limitationS1290
Hook right limitationS2170

Single Girder Underhung Overhead Crane  Specifications 3 Ton

Single Girder Underhung Overhead Crane  Specifications 3 Ton

CapacityT3 Ton
Spanm3.58.512.516.52022.5
Lifting heightm6/9/12/18/24/30
Lifting speedm/min8or (8/0.8)
Trolley travelling speedm/min20
Crane travelling speedm/min20
Total weightkg129218402379301937044028
Max. Wheel loadKN23.2223.0724.0725.5027.1127.87
Rail recommendedModel120a~145c
Total motor powerkw5.7kw
Main dimension (mm)Span(m)3.58.512.516.52022.5
Rail top to hook centerH41134
Crane base distanceW10001500200025003000
Crane widthB15002000250030003500
Hook left limitationS1290
Hook right limitationS2170

Single Girder Underhung Overhead Crane  Specifications 5 Ton

Single Girder Underhung Overhead Crane  Specifications5 Ton

CapacityT5 Ton
Spanm3.58.512.516.52022.5
Lifting heightm6/9/12/18/24/30
Lifting speedm/min8or (8/0.8)
Trolley travelling speedm/min20
Crane travelling speedm/min20
Total weightkg159922712996367550565493
Max. Wheel loadKN37.3337.1838.2039.5742.7143.69
Rail recommendedModel120a~145c
Total motor powerkw9.1kw
Main dimension (mm)Span(m)3.58.512.516.52022.5
Rail top to hook centerH41320
Crane base distanceW10001500200025003000
Crane widthB15002000250030003500
Hook left limitationS1360
Hook right limitationS2150

Single Girder Underhung Overhead Crane  Specifications 10 Ton

Single Girder Underhung Overhead Crane  Specifications 10 Ton

CapacityT10 Ton
Spanm3.58.512.516.52022.5
Lifting heightm6/9/12/18/24/30
Lifting speedm/min7or (7/0.7)
Trolley travelling speedm/min20
Crane travelling speedm/min20
Total weightkg237231894170516169757532
Max. Wheel loadKN64.0869.8571.0172.9077.1078.33
Rail recommendedModel140b~163c
Total motor powerkw15.2kw
Main dimension (mm)Span(m)3.58.512.516.52022.5
Rail top to hook centerH41670
Crane base distanceW10001500200025003000
Crane widthB15002000250030003500
Hook left limitationS1500
Hook right limitationS2500

Structure & Feature

Mainly composed of bridge(metal), electric hoist, traveling mechanism and electrical equipment.

General drawing of underhung overhead crane


General drawing of underhung overhead crane


Cross section of main girder


Cross section of main girder


Metal Structure

Main girder ( two types )

  • Small lifting capacity, small span, I-beam and U-steel construction, no beam structure
  • Large lifting capacity, large span is made up of welded box beam with high quality molding and stamping, U-beam and I-beam.

End truck:

  • The end truck is welded with U-steel, and the main girder and end truck are connected by a pin shaft, allowing the main girder to swing within a minimum range.
  • The wheels can run better on the truck without being suspended in the air.

Electric hoist

Please read the electric hoist's specification before using it. Electric hoists can lift objects while moving along the main girder of a structure.

Traveling mechanism:

  • Separate-driving, driving, and braking are completed by a tapered brake motor.
  • The detailed structure is similar to that of a standard wire rope electric hoist.
  • Users can select the trinity-drive system based on their needs.

Electrical parts:

  • Electric and overhead travelling crane can be controlled separately, separate traveling or traveling at the same time.
  • The electric hoist's power supply is flat cable or special cable.
  • The electrical appliance changes the speed without using a contact or spark module.
  • Equipped with a position limiter, a traveling position switch, and other features.
  • Ground wire pendent control and ground remote control are both available.
  • Power leading employs both current collector and flexible cable methods.
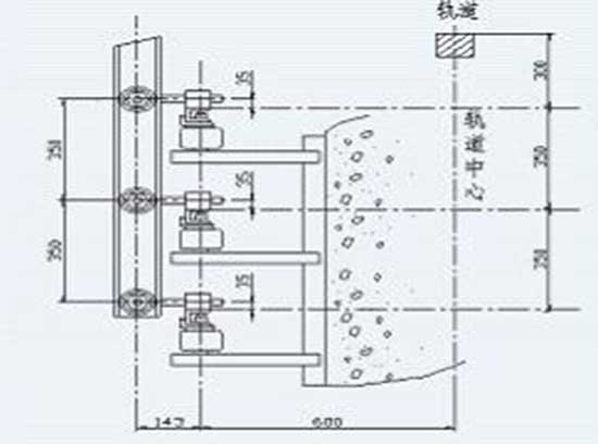
Underhung crane installation drawing

Underhung crane installation drawing 

Cable line installation of underslung bridge crane

Cable line installation of underslung bridge crane 

Electrics installation drawing

Electrics installation drawing 

Usage & Application

Working conditions: It is applicable in the temperature of -25℃~+40℃, Humidity≤85%, Altitude below 1000m, Power is 3-phase 380v 50HZ. Note: The underhung overhead crane also can be customized according to customer's requirements.

  • Manufacture and design according to JB/T 2603 "single girder underhung electric overheadcrane" .
  • Matched with CD1、MD1 electric wire rope hoists.
  • A kind of light duty hoisting crane equipment for light loads handling.
  • Widely used in machine-made, installation, warehouse, etc.
  • General use suspension crane is banned used in flammable, explosive, corrosive environment.

Maintenance

  • Users should inspect the underslung bridge cranes on a regular basis to ensure that they are safe and reliable.
  • It is necessary to inject grease inside the trolley's reducer before use; it requires oil of high viscosity (30-50);
  • the amount of oil should not be excessive; the lowest axis of the reducer should not be exceeded;
  • after one month of use, change the oil; after half a year, change the oil.

Related products

QDX 150 ton overhead crane in action in Paraguay. Installation photos, video, and client feedback show performance, safety, and heavy-lifting efficiency.


Free consultation to Confirm Parameters & Specifications and Get

Latest Crane Price & Crane Rate.

  • Types of overhead cranes : _______?
  • Optional: Overhead travelling crane, goliath gantry crane,Slewing jib crane, Single girder or double girder crane,small portable crane or kbk crane, etc.
  • Capacity of overhead crane: _______?
  • Optional: 0.25ton, 0.5 ton, 1 ton, 2 ton, 3ton, 5 ton, 10 ton,15ton, 20ton, 25 ton, 30ton,35ton, up to 550ton, etc.
  • Crane span & lifting height : _______?
  • Crane travelling length : _____?
  • Control of overhead crane:_______?
  • Optional: pendant/ remote/cabin control
  • Voltage supply of overhead crane:_____?
  • Eg,: 380V50/60HZ,3Phase or others,etc.
  • Application/usage of crane:_______?
  • Eg,: Steel mill, ,injection mold, cement,stone, concrete,granite, general manufacturing, etc.
  • Just leave a message via the contact form and our hoist and crane engineer will contact you with in 24working hours.

Get In Touch

Feel Free
to Contact With us