All on crane wheel - types of crane wheels, specification, wheel hardness & heat treatment. Get your overhead crane wheel & gantry crane wheel design now.
| Application | Material handling, lifting, positioning, assembly, maintenance, loading/unloading, |
| Certifications | CE / ISO / SGS / Other third-party inspection |
| Customization | Customized material handling cranes solutions available for indoor, outdoor, hazardous, corrosive, cleanroom, and heavy-duty industrial applications. |
Category: Crane Kit Parts
Tags: craneparts
Your Trusted Overhead Crane Manufacturer & Supplier
Crane wheels are used in overhead cranes, gantry cranes, metallurgical casting cranes, slab handling cranes, magnet cranes, and steel coil clamp cranes, among other applications.Types of crane wheels are for sale, such as, overhead crane wheels, gantry crane wheels, and crane trolley wheels, etc. All of our crane wheels are with the features of high precision assembly, stable operation, and easy for replacement. If you have any need of crane wheel design, please feel free to contact us.
Crane wheels are the most important parts in overhead crane and gantry crane crane traveling system which are also the most vulnerable crane parts and components due to the friction between crane wheels and rail. As a result, when flange wear, flange breaking, or fatigue pitting occurs, the crane wheels should be replaced.
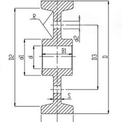
(a)Double wheel rim wheel (b) Single wheel rim wheel (c)None wheel rim wheel
Crane wheels are classified into numerous categories based on different standards, such as single edge and double edge crane wheels, casting and forging crane wheels, overhead crane wheels, gantry crane wheels or crane trolley wheels, and so on.
Bases on the crane wheel designs, the crane wheels are often divided into three categories: double flange crane wheels, single flange crane wheels, and non-flange crane wheels, among others. The lengths of single edge and double edge crane wheels will be introduced in the following sections.
Double rim crane wheel
Double rim crane wheel
Features of double flange crane wheel
single flange crane wheel
single flange crane wheel
Features of single flange crane wheels
Non-flange crane wheel
Non-flange crane wheel drawing
The crane wheels must be discarded after the rim thickness has worn down to 50% of its original thickness, according to rule GB6067 –1985. The crane wheel rim bears the lateral pressure of the crane, with 70 percent to 80 percent of the crane wheels rubbing against the side of the track, which can cause the flange to wear out and the wheel to be discarded, according to the "Crane design manual."
As a result, the heat treatment of the crane wheel should incorporate the rim profile, i.e., if the heat induction coil is too narrow during power frequency quenching, the rim inside surface hardness will not satisfy requirements.
When the wheel tread thickness wears down to 15% of the original thickness, it must be discarded, according to rule GB6067 –1985. Maintaining a moderate tread hardness (too high would cause severe rail wear) and a 20mm wheel tread depth (too low will cause severe wheel wear) during the production process is unquestionably tough. Years of experience have shown that when the carbon content of cast steel or conventional carbon steel material is less than 0.5 percent, the hardened layer depth on the surface of the wheel tread will not meet requirements.
Some manufacturers used table flame quenching heat treatment method due to capacity constraints or cost considerations. This method has only 2-5mm of hardened depth and the surface is brittle. During the running process, the wheel tread cracks and hardens off, causing wheel scrap. This approach should not be used.
Generally, crane wheels are made of 60 steel ZG340-640 cast steel 42Crmo65Mn.
Overhead crane wheels are often made of ZG310-570 cast steel or higher-quality steel. The small size overhead crane wheels can be manufactured of forged steel but not below the 45th stainless steel. Alloy steel wheels, such as ZG55CrMn, ZG50MnMo, and others, are used to support heavy loads on bear crane wheels. When it's necessary to minimize the diameter of overhead crane wheels and, finally, the height of overhead cranes, alloy material is used.
In order to ensure the high quality of crane wheels assembly, the quality inspections should be applied through the whole crane wheel production procedure from design, material selection, heat treatment and others, etc.
The main production of crane wheels are as follow:
Crane wheel drawing, 3d modeling, Fem Analysis, Blank wheel, rough machining, Heat treatment, Finish machining, Hardness testing, Assembling,etc.
Crane wheel drawing
Crane wheel 3d modeling
Crane wheel fem Analysis
Crane wheel blank wheel
Crane wheel rough machining
Crane wheel heat treatment
Crane wheel finish machining
Crane wheel hardness Testing
Crane wheel assembling
The wheel tread must be heat treated to increase the load capacity and service life of crane wheels. The medial surface of the wheel hardness must be 300-380HB, with a 20mm hardened depth of not less than 260HB, which can be achieved utilizing a variety of heat treatments under current technical conditions.
Crane wheels are typically built of raw materials such alloys, low-carbon steel, or medium-carbon steel. Because of its wide availability and low cost, medium-carbon steel is the most often utilized raw material in crane wheel production.
Heat treatment procedures are used to increase the hardness of metals.
The hardness of crane wheels constructed of medium-carbon steel has been rising as a result of developments in heat treating technology, which is particularly noticeable at the tread and where the tread meets the rail.
Crane wheels that have been forged are substantially more durable. Crane wheels forging ensures constant strength, grain flow, and directional strength, all of which are plainly visible metallurgical faults throughout the forging process.
Forging crane is more reliable. Forging crane wheels has improved reliability for the following reasons:
Forging crane wheel
Casting crane wheel
Note: Higher the hardness, the better the crane wheel?
A hardened crane wheel tread does, in fact, reduce wear and extend the life of crane wheels. However, the following dilemma arises:
When a crane wheel's hardness surpasses 65 Rockwell "C," it becomes brittle and susceptible to cracking if it comes into touch with a section of the rail that is missing parts or other sharp things. Furthermore, the top of the wheel flange and the outer section of the flange should not be hardened since ductility is required for them to flex without breaking when subjected to lateral forces, such as a misaligned rail. To extend the life of a crane wheel, the inner side of the flange must be the same depth and hardness as the tread.
The depth of hardness of the crane wheel must be measured. Spalling occurs when hardening does not penetrate deep into the wheel tread, resulting in metal particles falling off the surface and decreasing the crane wheel's life.
A wheel's lifespan depends on more than hardness alone.
The crane wheels, which come into direct touch with the crane runway, are the crane's weakest link. Crane wheels are usually the first crane parts to reveal signs of difficulties with the crane, such as misaligned rails or an unsquared crane.
Inspection of overhead cranes and gantry cranes, particularly the crane wheels, on a regular basis will detect early wheel wear and provide indications to repair problems before they become serious.
The thickness of crane wheel flanges should be measured and documented so that the rate of wear may be tracked between inspections.
The wheel block's bearing support is a corner box construction that is bolted to the trolley frame or the bending plate of the crane end beam. The framework may adjust the wheel during usage and maintenance, ensuring that the wheel is deflected horizontally and vertically and preventing the wheel from nibbling the rail. In China nowadays, the corner box structure is the most extensively utilized mature technology.
Crane wheels are made to fit your specific needs. How can you find the best crane wheels for your overhead or gantry crane? We've been chosen by Demag Crane. Why don't you take advantage of our Crane Wheels? Please use the form below to send us a message.
Latest project
QDX 150 ton overhead crane in action in Paraguay. Installation photos, video, and client feedback show performance, safety, and heavy-lifting efficiency.
Free consultation to Confirm Parameters & Specifications and Get
Latest Crane Price & Crane Rate.
Just leave a message via the contact form and our hoist and crane engineer will contact you with in 24working hours.
Get In Touch
